Home  |  High-End Audio Reviews  Audiophile Shows  Partner Mags  Hi-Fi / Music News

High-End High-Performance Audiophile Review Magazine & Hi-Fi Audio Equipment Reviews
Audiophile Equipment Review Magazine High-End Audio

  High-Performance Audio Reviews
  Music News, Show Reports, And More!

  30 Years Of Service To Music Lovers

Enjoy the Music.com Review Magazine

Sound Practices Magazine Online!

Sound Practices Magazine Online!

 

Try A Screen Driven Driver Stage
Article By Rikard Berglund
From Sound Practices Issue 8, Winter 1994/1995

 

 

  Some output tubes (211 and 845) need a very high drive voltage with low distortion. Some tube freaks have used the 300B tube as a driver but it is very expensive. Others have tried to use a triode connected EL34 but it is not linear enough.

 

 

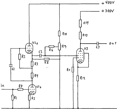
A pentode driven on the screen grid is very linear. I have tried this concept in a new driver stage, as shown on the accompanying schematic. The first two tubes V1 and V2 form an asymmetrical mu-follower. V3 is a screen grid driven pentode. Adjust the potentiometer R9 to 350V DC at the plate of V3. You can use many different tubes for V3.

I made distortion measurements for some different tube types with the results given in table 2. EL36 and 5881 are the two best tubes. The linearity of these two tubes in this "enhanced" mode is even better than for a 300B tube used as a driver.

 

 

 The sensitivity of this driver stage is so high that it can be used direct with a CD player. Use an 100k ohm pot as volume control. Both the 400V and 700V supplies should be well filtered, maximum ripple 2mV.

You can of course use higher voltage than 700V for better linearity. The EL36 tube can withstand more than 1000V. The 6DN6 tube can also be used for very high operating voltages. Never use more than 1000V B+ supply voltage and be sure to set the anode voltage to 50% of B+ voltage. Use a separate filament supply for V2. Be careful, high voltages are dangerous!

 

 

 

 

 

 

 

 

 

 

 

 

 

 

 

 

 

 

 

 

 

 

 

 

 

 

 

 

 

 

 

 

 

 

 

 

 

 

 

 

 

 

 

 

 

 

 

 

 

     

Premium Audio Review Magazine
High-End Audiophile Equipment Reviews

 

Equipment Review Archives
Turntables, Cartridges, Etc
Digital Source
Do It Yourself (DIY)
Preamplifiers
Amplifiers
Cables, Wires, Etc
Loudspeakers/ Monitors
Headphones, IEMs, Tweaks, Etc
Superior Audio Gear Reviews


Show Reports
Capital Audiofest 2025
Toronto Audiofest 2025
HIGH END Munich 2025
Lone Star Audio Fest 2025
AXPONA 2025 Show Report
Montreal Audiofest 2025 Show
Southwest Audio Fest 2025
Florida Intl. Audio Expo 2025
UK Audio Show 2024
Pacific Audio Fest 2024
...More Show Reports

 

Videos
Our Featured Videos


Industry & Music News

High-End Audio & Music News

 

Partner Print Magazines
audioXpress
hi-fi+ Magazine
Sound Practices
VALVE Magazine

 

For The Press & Industry
About Us
Press Releases
Official Site Graphics

 

   

 

Home  |  High-End Audio Reviews  |  Audiophile Show Reports  Hi-Fi / Music News  About Us  |  Contact Us

 

 

All contents copyright©  1995 - 2025  Enjoy the Music.com®
May not be copied or reproduced without permission.  All rights reserved.